| 特點 |
● 高性能、低噪音、低價格、高速力矩大、平穩性極好
● 設有16檔等角度恒力矩細分,最高解析度40000步/轉
● 採用獨特的4線控制電路,有效的降低了噪音,增加了轉動平穩性
● 最高反應頻率可達200Kpps
● 步進脈衝停止超過100ms時,線圈電流自動減為20%~80%(由STOP設定)
● 雙極恒流斬波方式,使得相同的步進馬達可以輸出更大的速度和功率
● 光電隔離信號輸入/輸出
● 驅動器電流:0.5A~8.0A/分16檔可調
● 單電源輸入,電壓範圍: AC60~130V(最佳輸入電壓 AC110V)
● 出錯保護:①過熱保護 ②過流 ③電壓過低保護
● 外形尺寸:200×156×80(mm),淨重量:2.3kg
| 概述 |
SEA2D810 為一款等角度恒力矩細分型步進馬達驅動器,驅動電壓AC60V~130V(最佳輸入電壓 AC110V),適配外徑86mm~130mm、相電流在8.0A以下,4或8出線各種型號的二相混合式步進馬達。
驅動器內部採用雙極恒流斬波方式,使步進馬達噪音減小、運行更平穩;驅動器電源電壓的增加使得步進馬達的驅動能力和高速性能大為提高;步進脈衝停止超過100ms時,線圈電流自動減為20%~80%(由STOP設定),使驅動器的發熱可減少50%,也使得步進馬達的發熱減少。使用者使用脈衝頻率不高的時候使用低速高細分最高可達40000步/轉,使步進馬達運轉精度提高、振動減小、噪音降低。
| 應用領域 |
木工雕刻機、鐳射雕刻機、打標機、貼標機、固晶機、焊線機、UV印表機、3D印表機、噴繪機、繪圖器、繡花機、點膠機、灌膠機、焊錫機、BGA返修台、貼合機、貼片機、熱壓機、背光源貼膜機、塗裝機、往復機、端子機、剝線機、繞線機、錫膏印刷機、PCB鑽孔機、V-CUT機、打靶機、FPC補強機、塗布機、疊片機、IC分選機、IC燒錄機、編帶機、醫療設備、非標設備、XYZ測量儀、連接器組裝機、SMT周邊設備等
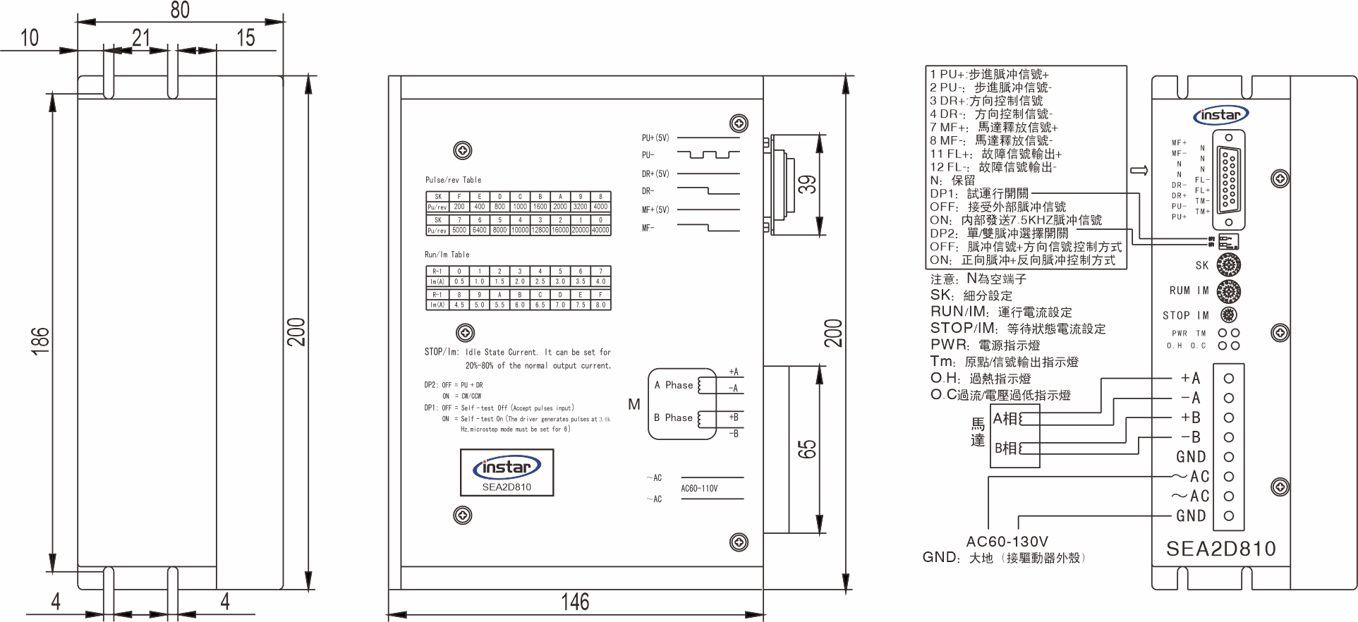
| 脈衝數設定表 |
SK | F | E | D | C | B | A | 8 | 8 | 7 | 6 | 5 | 4 | 3 | 2 | 1 | 0 |
脈衝數/轉 | 200 | 400 | 800 | 1000 | 1600 | 2000 | 3200 | 4000 | 5000 | 6400 | 8000 | 10000 | 12800 | 16000 | 20000 | 40000 |
| DIP開關功能設定 |
DP1 | OFF:接受外部脈衝信號 ON:接收內部脈衝信號,此時驅動器內部發出7.5kHz脈衝信號,脈衝數應設置為:2000~10000) |
DP2 | OFF:脈衝信號+方向信號控制 ON: 正向脈衝信號+反向脈衝信號控制 |
| 電流設定 |
1.STOP/Im為保持狀態輸出電流設置電位器,可設置為正常輸出電流的20%~80%(順時針增大,逆時針減小)
2.RUN/Im為正常工作輸出電流設置開關(詳見下表)
RUN/Im | 0 | 1 | 2 | 3 | 4 | 5 | 6 | 7 | 8 | 9 | A | B | C | D | E | F |
Im (A) | 0.5 | 1.0 | 1.5 | 2.0 | 2.5 | 3.0 | 3.5 | 4.0 | 4.5 | 5.0 | 5.5 | 6.0 | 6.5 | 7.0 | 7.5 | 8.0 |
| 外形尺寸圖 |

| 引腳功能說明 |
標記符號 | 功能 | 注 釋 |
POWER | 電源指示燈 | 通電時,指示燈常亮 |
TM | 工作指示燈 | 步進脈衝頻率低時,綠色指示燈閃爍,步進脈衝頻率高時,綠色指示燈常亮 |
O.H | 過熱指示燈 | 驅動器溫升超過70℃時,紅色指示燈常亮 |
O.C | 過流/欠壓指示燈 | 驅動器電流過高或欠壓時,紅色指示燈常亮 |
Im | 步進馬達線圈電流設定 | 設定步進馬達相電流,順時針增大、逆時針減小 |
PU+ | 輸入信號光電隔離正端 | 接+5V~+24V 脈衝信號電源,高於+5V脈衝信號電源,需要接限流電阻 |
PU- | DP2=OFF,步進脈衝信號 | 下將沿有效,每當脈衝由高變低時,步進馬達走一步。輸入電阻220Ω,要求:低電平+0V~+0.5V,高電平+4V~+5V,脈衝寬度>2.5μs。 |
DP2=ON,正向步進脈衝信號 | ||
DR+ | 輸入信號光電隔離正端 | 接+5V~+24V 脈衝信號電源,高於+5V脈衝信號電源,需要接限流電阻 |
DR- | DP2=OFF,方向控制信號 | 用於改變步進馬達反轉,輸入電阻220Ω,要求:低電平+0V~+0.5V,高電平+4V~+5V,脈衝寬度>2.5μs。 |
DP2=ON,反轉步進脈衝信號 | ||
MF+ | 輸入信號光電隔離正端 | 接+5V~+24V 脈衝信號電源,高於+5V脈衝信號電源,需要接限流電阻 |
MF- | 步進馬達釋放信號 | 低電平有效時關斷步進馬達線圈電流,步進馬達處於自由狀態。 |
TM+ | 原點輸出光電隔離正端 | 步進馬達線圈通電位於原點置為有效,光電隔離輸出(高電平) |
TM- | 原點輸出光電隔離負端 | TM+接輸出信號限流電阻,TM-接輸出地,最大輸出電壓50V、電流50mA |
FL+ | 過熱/欠壓保護光電隔離正端 | 驅動器溫度超過70℃或欠壓時,自動切斷步進馬達線圈電流並置FL-有效(低電平)驅動器溫度降低到50℃時,驅動器自動恢復正常工作並清除信號。 |
FL- | 過熱/欠壓保護光電隔離負端 | FL+接輸出信號限流電阻,FL-接輸出地,最大輸出電壓50V、電流50mA |
AC | 電源 | AC60~130V (最佳輸入電壓 AC110V) |
AC | ||
GND | 地線 | 大地(內接驅動器外殼) |
+A、-A | 步進馬達接線 | 請參照各步進馬達接線圖 |
+B、-B |
| 注意事項 |
1、請不要將電源正負極接反,輸入電源電壓不要超過AC130V;
2、輸入控制信號電平為+5V,當高於+5V時需要在PU-、DR-、FM-端接限流電阻(限流電阻請勿接在+端);
3、該型號步進馬達驅動器採用特殊的控制電路,故必須使用6或8出線步進馬達;
4、驅動器溫度超過70℃時將自動停止工作,O.H故障指示燈常亮,直到驅動器溫度降到50℃驅動器自動恢復工作,出現過熱保護請加裝散熱器;
5、過流或欠壓時O.C故障指示燈常亮,請檢查步進馬達接線及其他短路故障或是否電源電壓過低,若是步進馬達接線及其他短路故障,排除後需要重新上電恢復;
6、驅動器通電時PWR綠色指示燈常亮;
7、過零點時,TM指示燈在脈衝輸入時亮。


